chainconveyor@163.com

Drag Chain Conveyor

Our company has always being kept the spirit of people-oriented and good quality to survival,
and will try our best to service all customers at home and abroad sincerely.

RMC En Masse Conveyor
   publishtime:2021-05-15       views:3117

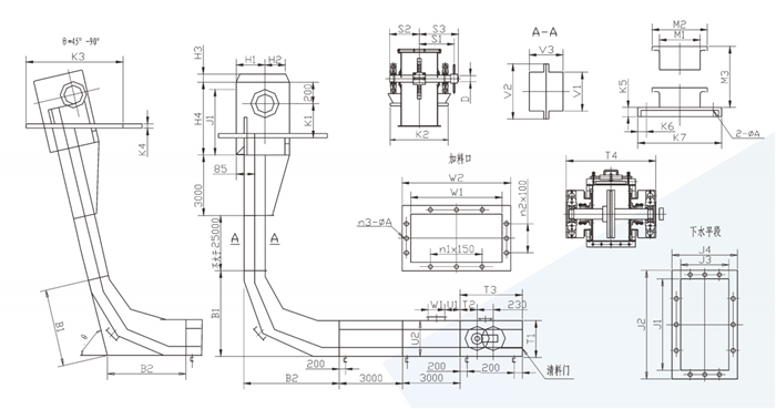
1. It is used for grains,cement and chemcial conveying.

2. Conveying dry powder and granular materials (moisture≤10%).

3. Inclination: 30 ° ≤a≤ 90 °.

4. Maximum lifting height: 30meter.




Yidu Huaxun
Intelligent Conveyor

contact us
  • +86 717 4818685
  • E-MAIL: chainconveyor@163.com
  • Address: No.144 Qingjiang Avenue, Yidu City,Hubei,China
  • 0086-13872530464